The KJT Series radar level transmitter uses 76–81 GHz FMCW millimeter-wave technology to deliver high-precision, non-contact level measurement for liquids and solids. Compared with traditional radar and guided wave systems, it offers higher accuracy, narrower beam angles, and stronger resistance to dust, smoke, and harsh environments.
Its strong penetration and ultra-narrow beam ensure stable and reliable performance in complex industrial conditions. The transmitter is ideal for applications in water and wastewater treatment, mining, mineral processing, metallurgy, and utility engineering.

Category | Parameter | Specification |
Radar Performance | Measuring Range | 0.08-10m, 0.08-20m (Customizable range available) |
| Measurement Error | 1 мм |
| Resolution | 0,1 мм |
| Frequency Band | 76-81GHz |
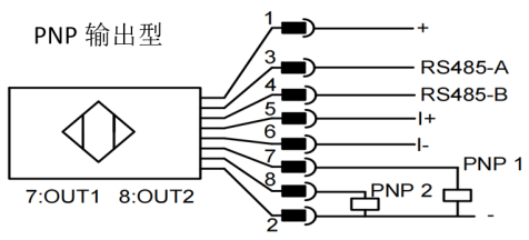
| Signal Output | PNP/NPN/4-20mA/0-10V/RS485 (Private Protocol) |
| Power Supply | DC 24V (9V~30V) |
Environmental Conditions | Рабочая температура | -20℃~+70℃ |
| Operating Humidity | 0%~95% RH |
| Класс защиты | IP67 / Explosion-Proof Grade |
| Dielectric Constant | Measured medium dielectric constant ≥2 |
Operating Temperature Notes
The operating temperature range of the radar level transmitter is -20℃~+70℃. For applications in northern regions, it is recommended to use an instrument protection box. In areas with intense direct sunlight, the instrument should be installed in a shaded location or equipped with a sunshade. This not only prevents excessive internal temperature caused by exposure to direct sunlight but also ensures effective ventilation and heat dissipation.